Karavan, motor-home ya da marin su sistemleri için tasarlanmış, güvenilir ve yüksek performanslı bir çözüm arıyorsanız, “WHA.GP1392” kodlu bu Whale Premium Inline Dalgıç Pompa tam size göre. Aşağıda ürünün öne çıkan özellikleri, kullanım avantajları ve dikkat edilmesi gereken noktaları yer almaktadır.
12 V DC çalışma voltajına sahip, kompakt ve hafif tasarımıyla kolay montaj imkânı sunar.
Dakikada yaklaşık 13,2 litre akış kapasılığı (0 m yükseklik bazında) ile etkili su akışı sağlar.
Çalışırken sessiz ve verimli; düşük enerji tüketimiyle sisteminize ekstra yük getirmez.
10 mm (3/8″) ya da 13 mm (1/2″) esnek hortum bağlantılarıyla uyumludur, Quick-Connect adaptörlerle esnek montaj şansı sunar.
Dayanıklı malzeme ve güçlü motor yapısıyla uzun ömürlü kullanım için ideal.
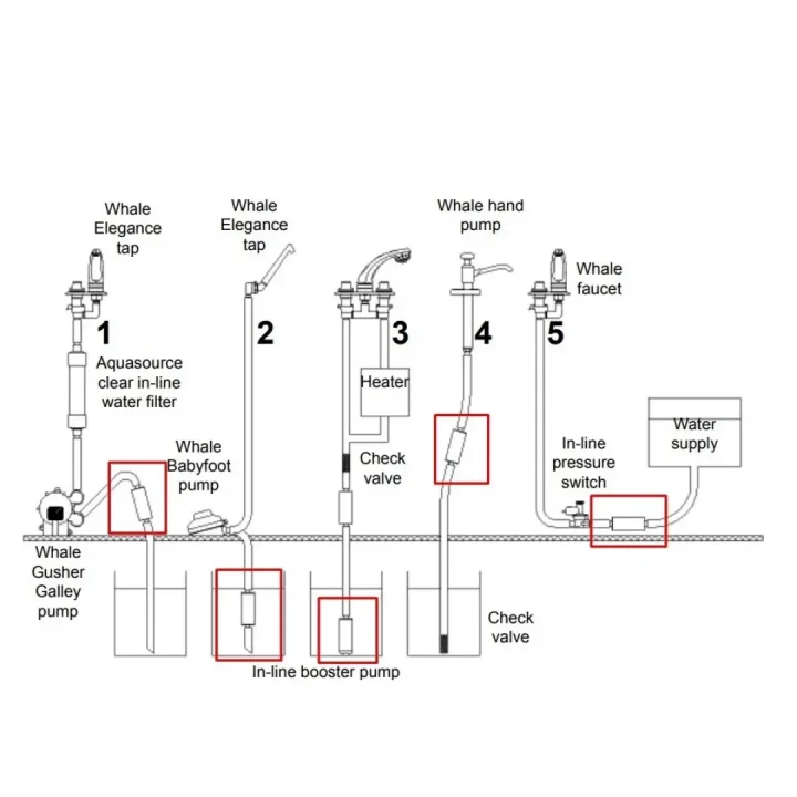
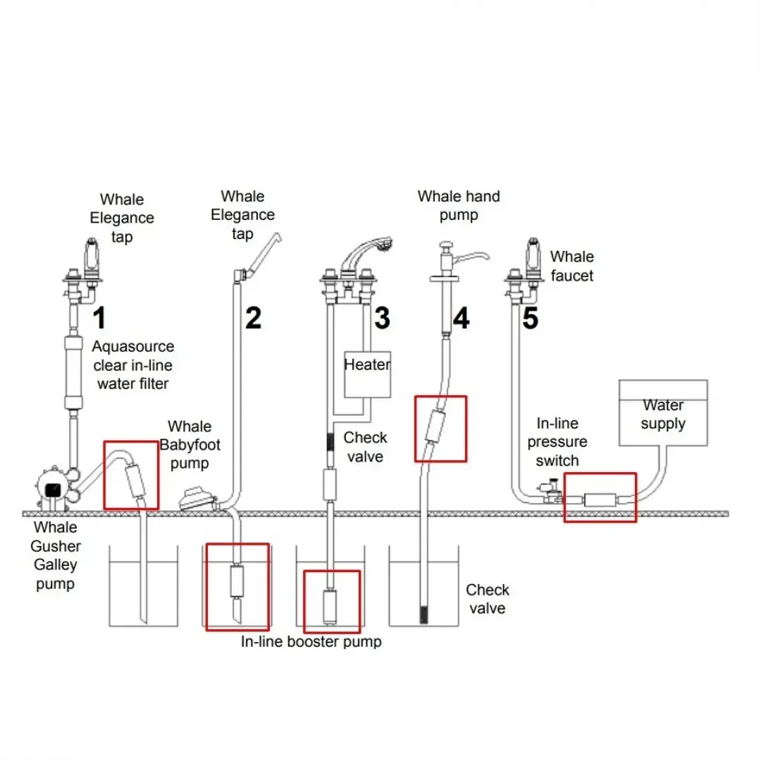
Karavan ya da tekne içi temiz su sistemlerinde suyun akış hızını artırmak ve sistem performansını yükseltmek için kullanılabilir.
Yerçekimiyle beslenen sistemlerde ya da bir el/ayak pompası sonrası gelen su hattında, inline montaj ile sistemin sorunsuz çalışmasını sağlar.
Kompakt yapısı sayesinde dar alanlara kolayca adapte edilebilir; böylece ek yer kaplama derdi olmaz.
Sessiz çalışması sayesinde konforlu bir kullanım ortamı sunar; kamp, tatil veya marin yaşamda rahatsız edici sesler minimum düzeyde kalır.
Kolay ve hızlı montaj imkanı sayesinde, uzman olmayan kullanıcılar için bile pratik bir çözüm sunar.
Akış performansı örnekleri:
0 m yükseklikte ~13,2 L/dk – 3,6 A
1 m yükseklikte ~11,75 L/dk – 3,3 A
3 m yükseklikte ~9,75 L/dk – 2,9 A
Montaj tavsiyeleri:
Pompayı, su deposu ile ayak pompası arasındaki emiş hattına monte edin; musluk ile pompa arasına koymaktan kaçının.
Su sıcaklığı 40 °C üzerindeyken kullanmaktan kaçının. Susuz çalıştırmayın.
Uyumlu hortum bağlantıları: 10 mm ya da 13 mm esnek hortumlarla uyumlu; bağlantı adaptörlerinin sıkıca takılması önerilir.
Karavan veya motor-home sahipleri, su sistemlerinde akış yetersizliği yaşayanlar.
Tekne ya da marin ortamda temiz su pompalama sistemini daha verimli hale getirmek isteyenler.
Sessiz ve düşük enerji tüketimli bir pompa arayan kullanıcılar.
Kolay montaj yapılabilir, kompakt pompa sistemi isteyenler.
12 V sistemler için uygunluğu kontrol edilmelidir. Yanlış voltaj kullanımında cihaz zarar görebilir.
Montaj yapılacak hattın yapısı ve hortum çapı uyumluluğu kontrol edilmeli; bağlanan hortumların adaptörlerle sıkıca oturduğundan emin olunmalıdır.
Pompa susuz veya aşırı sıcak su ile çalıştırılmamalıdır; bu durum pompanın ömrünü azaltabilir.
Stok durumu ve teslim süresi satış noktasına göre değişiklik gösterebilir. Sipariş öncesi stok teyidi alınması önerilir.
WHA.GP1392 kodlu Whale Premium Inline Dalgıç Pompa, karavan‐marin temiz su sistemlerinde yüksek akış performansı, düşük enerji tüketimi, sessiz çalışma ve kolay montaj gibi avantajlarla öne çıkar. Tesisatınızı daha verimli hale getirmek ve kullanım konforunuzu artırmak için güvenilir bir çözüm sunar.




































































